欢迎访问常州鼎涛精工科技有限公司官网!
dingtao@czdingtao.com 0519-85280583
服务热线 全国服务热线:

0519-85280583

全部分类
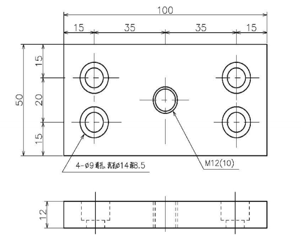
首页 > 产品中心 > 脚轮板FBHL50100
产品名称:脚轮板FBHL50100      点击次数:2180      发布日期:2020-09-12
产品详情

材料:S45C钢

Material:S45C Steel


用途:脚轮板主要用于矩形和大尺寸多孔方形型材与调节蹄脚及脚轮等配件,的连接,起过渡作用。


表面处理:环保镀锌

Surface Finish:Rosh Zincification


环保要求:RoHS对应品

脚轮板


适用型材:50100系列(槽宽8mm)

As Profile:50100Series(Slot 8mm)

█脚轮板FBHL50100成套内容:

●FBHL50100脚轮板1个

●内六角螺栓(M8×20)×4


装配图Example

脚轮板

  • 上一个产品:脚轮板FBHL6060
  • 下一个产品:脚轮板FBHL5050